k*1様 真空管アンプ/6AQ5シングル・アンプ/6AR5兼用(自作品)/予備球
(3346件)
Pontaパス特典
サンキュー配送
15370円(税込)
154ポイント(1%)
Pontaパス会員ならさらに+1%ポイント還元!
送料
(
)
3342
配送情報
お届け予定日:2026.04.12 2:38までにお届け
※一部地域・離島につきましては、表示のお届け予定日期間内にお届けできない場合があります。
ロットナンバー
74757119956
お買い物の前にチェック!
Pontaパス会員なら
ポイント+1%
ポイント+1%
商品説明
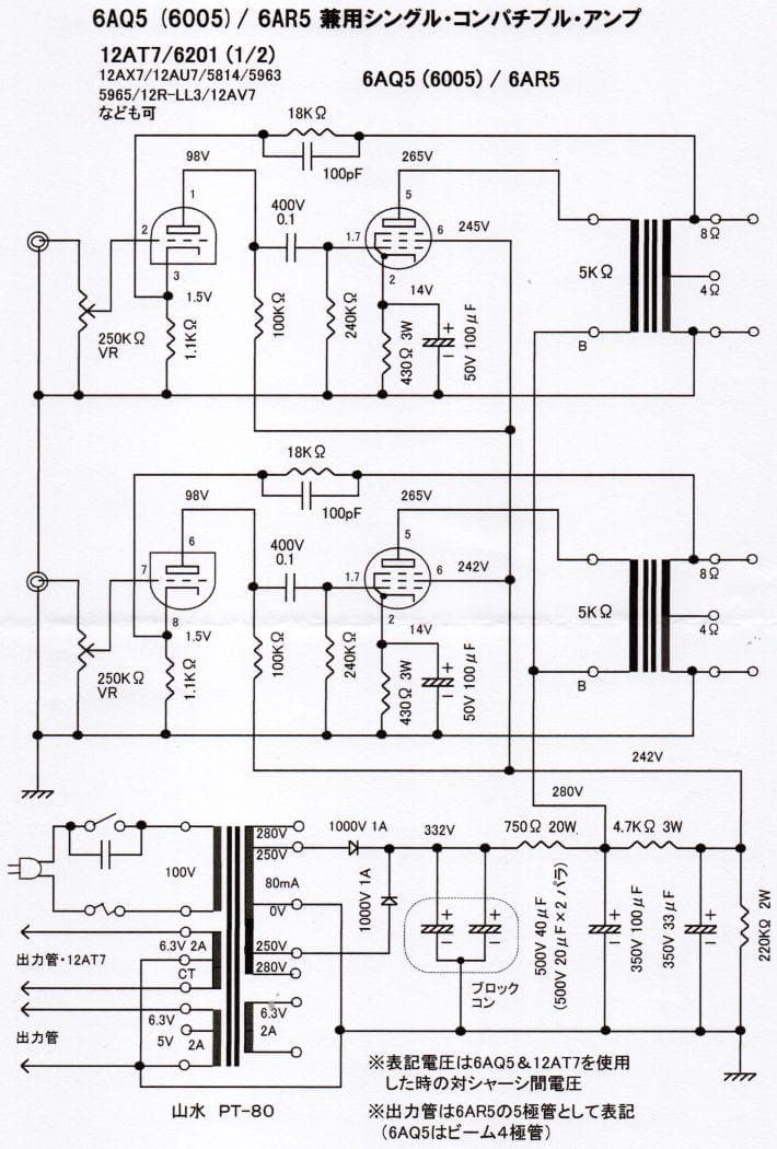
■6V6と同じ電気特性のMT管6AQ5(6005)を使った、完成したばかりの自作のシングル・アンプです。marantz マランツ PM-80AF プリメインアンプ ステレオ オーディオ。出品のため製作しました。SONY TA-F555ESA プリメインアンプ。■今回は、出品前に6AQ5と6AR5の兼用のコンパチブル・アンプに変更しました。AIYIMA T20 フルバランスHi-Fi真空管プリアンプ。回路定数は、ほぼ6AR5に合わせていますが、6AR5の場合は出力トランスの1次側が7KΩが良いのですが、5KΩでも良しとします。DENON PMA2000 ジャンク。■6AQ5としては、自己バイアス抵抗は、もう少し低いほうが良いのですが、電源トランスのB電源容量が80mAのため、プレート電流を抑えて動作を軽くするために430Ωとしました。DENON AVアンプ Dolby Atmos HEOS対avr-x2400h。(この値で6AR5もそのまま挿し替えて兼用できます)この時の6AQ5の動作ですが、この回路だと第2グリッド電流が約2mA流れますので、プレート電流は約30mAとなり、6AQ5としては軽い動作ですが、最大出力はちょうど3Wです。AVR-X580BT デノン DENON AVレシーバー。6AR5も同じくらいの出力になります。★美品★ CLASSIC PRO DCP800 ステレオパワーアンプ。6AQ5使用で最大出力時の入力感度は約0.8Vでした。SONY ソニー プリメインアンプ ta1130a。プレート電流をもう少し多くすれば4W以上の出力が出るのですが、6AR5兼用なので3Wで十分です。MASSIVE MA-S10D BT デジタルステレオアンプ Bluetooth。■初段管は12AT7(6201)を基準管としましたが、この回路定数のままで、各部の電圧配分と入力感度は変わりますが、12AX7や、12AU7、5814、5963、5965、12R-LL3、12AV7などもそのまま差し替え出来るよう、プレート抵抗を100KΩ、カソード抵抗を1.1KΩとしました。Panasonic ワイヤレスアンプ WX-282C。■適応スピーカーは6~8Ωです。QSC GX3 パワーアンプ。■ハムはスピーカーに耳を押しあてても全くの無音です。【最終値下げ】★超美品★完動品★DENONプリメインアンプ PMA-2000AE。■出来るだけ能率の高いスピーカーを使用してください(90dB以上)■6AR5でも聞きたいときは6AR5は別にお求めください。Bluesound Powernode Edge オーディオアンプ。■高級な部品は使用していませんが、音の傾向は6V6に似ていますがシャープさが加わった聴きやすい真空管らしい音です。ONKYO A-933 プリメインアンプ シルバー。■予備球として6AQ5と、12AT7を各1本付けておきます。AMPEREX Bugle Boy 12AX7/ECC83 真空管。■木枠は手作業によるもので塗装に少しムラがあります。Pioneer A-D3 プリメインアンプ 100W。■裏蓋はありません。Ampapa A1 プリアンプ。■自作者の責任として回路図を添付します。2022年製 Marantz NR1200 ネットワークレシーバーアンプ 動作品。■このアンプの詳細はブログでも紹介しています。YAMAHA RX A780 7.2ch【美品】。https://ameblo.jp/hirochan-amp/entry-12952299992.htmlレビュー
商品の評価:




4.7点(3346件)
- いもた7629
- 屋外使用を考えて購入したのですが、プレーヤーをまだ決めていないのでPCにつないで聞いてます。 DAC&バッテリー内蔵なので長めのUSBケーブルでPCと接続し、短めのケーブルでヘッドフォンとつないで使用することも可能!(バッテリーチャージはoffにできる) 低音強めらしいけど、音質も不満なし。(BASSブーストOFF) バッテリー長持ちなのもうれしい。 ただし、並行品なのか日本語の説明書はなかった! 操作系は単純なので大丈夫だけど。(英語、朝鮮語、中国語のテキストあり) シリコンジャケットは装着された状態でパッケージされていました。
- フライパン711
- お店行ったら売り切れでこちらで購入させて頂きました。値段も一番安かったです。 早速使って見ましたが、使い安かったです。
- 真乃丞
- よく考えればわかることでしたが、本商品につなげたマイク付イヤホンのマイク機能は使用できません。よって、歌とギターを同時に録ることはできません。そもそも同時録音のできるアプリケーション自体が見つかりません。ギターを録ってから歌を録るにしても、つなげ直すのが結構面倒です。その辺のことがイメージできたうえで購入するのであれば全く問題ないと思います。他所で4500円程度で売っている商品を3000円で売っているのは実に素晴らしいこと。
- ricric531
- 【デザイン】 ピアノブラックの塗装がとても美しいシリーズですね! ほこりが目立ちますが、きちんと掃除するクセがついていいです。 【サイズ】 これまで5年くらい前のONKYOのアンプを使っていましたが、とても小さくなっていて驚きました。 奥行きはそこそこありますが・・・。 【入出力端子】 十分だと思います。 【機能性】 ヘッドホン出力があったり、地味ですが重要なポイントを押さえています。 【パワー】 これまで安いホームシアターシステムの付属品だったプラスチックのスピーカーを使っていたので・・・もうダントツに・・・。 【音質】 マイクを使って自動で調整してくれるのが便利ですね。 ただ、しばらくして違和感を感じたので改めて手動調整してしましましたがw 各種リスニングモードが充実していて、2chソースでさえもまるで5.1chかのように再生できるのに驚きました。 【その他】 この本体と同時にONKYOのD-108E(トールボーイスピーカー)・D-108C(センタースピーカー)を購入しました。 見た目も音もマッチングが良くていいですね。 そして全て購入してもそれほど高くならないのが嬉しいです。
- yysls
- ポタアンは高い、面倒という意識だったのですが、 1万以下と手頃かつ乾電池等ではないので、いつも持ち歩いてるUSBエネループが使えます。 まぁ、1日持つのでiPhoneと一緒に充電でOK! 10proで使用してますが、10proの持ち味も殺していない感じでいいと思います。
- オッシー2094
- パワーは価格以上の価値がありますが、タイトルどおり音質重視の方には向かないと思います。
- yuimama1208
- スマホーヘッドホンアンプーカーステレオAUX端子に接続したところ音量がアップして満足です。電源スイッチがあればいいですね。
- コアラのマーチ1964
- 電源がアダプタで供給されるタイプで配線数が多いですが、音質、使用感は期待以上、価格も安く、良い買い物でした。付属USBケーブルBコネ部が抜けやすいので他のケーブルを使ったほうが良いかも。
- sho-hangar18
- 片チャンにボツボツという音が? 問い合わせをしたところ、真空管の交換を敏速に対応していただきありがとうございました。
- gaokm
- 【デザイン】良い 【サイズ】良い 【入出力端子】使いやすい 【機能性】良い 【パワー】良い 【音質】良い 【その他】全体に良い
- 姫とタント
- 生産終了の予告を見て慌てて発注しました。 どうしても自分で組み立てる真空管アンプが欲しかったので。 値段の割に評価が高くずっと気になっておりました。 いい機会なので買いました。
すべて見る
お店の情報
7,367
連絡・応対
4.3
配送スピード
4.3
梱包
4.3










