電気工事業者必見!価格交渉歓迎! 三菱 シーケンサー・タッチパネル 学習用制御盤
(3330件)
Pontaパス特典
サンキュー配送
42400円(税込)
424ポイント(1%)
Pontaパス会員ならさらに+1%ポイント還元!
送料
(
)
3322
配送情報
お届け予定日:2026.04.30 18:6までにお届け
※一部地域・離島につきましては、表示のお届け予定日期間内にお届けできない場合があります。
ロットナンバー
18518149512
お買い物の前にチェック!
Pontaパス会員なら
ポイント+1%
ポイント+1%
商品説明
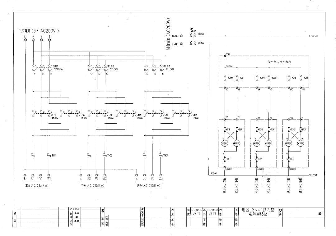
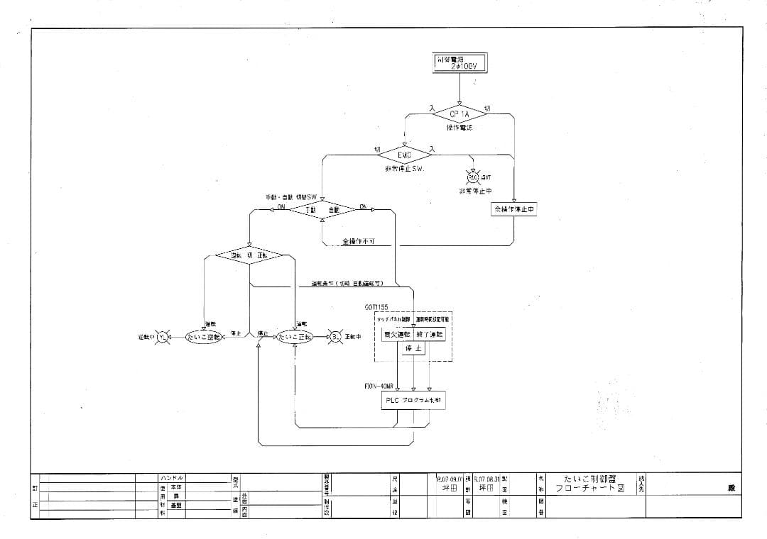
三菱 FXシーケンサー・GOTタッチパネル 学習用制御盤希望価格 ¥95.000 で即決落札して貰えれば,製図用CADソフトもインストールしておきます。超軽量✨dynabook G83/KV 12世代i5×16GB×新品512GB。在庫品の電装機器がたくさんありましたので製作してみました。【マウス DAIV 5N】i7-12700H/32GB/RTX3060 AC付。電気工事関係の仕事の人でシーケンス制御 (ハード) は少し解るが,これからシーケンサー (ソフトのプログラム) を勉強したいと思う方,タツチパネル制御も覚えたい方どうでしょうか!以前は電気工事関係の仕事が多くて,ハード関係は強かったのですが,時代の流れでシーケンサー (プログラム) の勉強もしないと,仕事ももらえない時代となりました。【新品、未使用】NEC VersaPro VRT25/F (B6S3R5)PC。最初はパソコンとシーケンサー・タッチパネルの通信さえできなく,メーカに電話し窓口をたらいまわしになりながら,何日間も苦労しまた。中古CHUWI MiniBookm3/16GB/128GB+512GB 2in1。現在インストール中の プログラムは以前客先に納品したものです。raytrek ドスパラ 10世代 i7 RTX3060 32GB/SSD1TB。直径5m以上もある,たいこの制御盤で (皮革工場の革のなめし工程) シーケンサーとタッチパネルでプログラム制御しています。累積59 東芝 G83MY 16GB Office 顔/指紋認証 2024モデル。落札していただければ シーケンサー・タッチパネルの制御図面,フローチャート図,プログラムデーターもお付けいたします。DELL 13インチ ☆12世代 i7 16G 512G 1920x1080。フローを参考にセレクトSW・タッチパネルを操作すると表示ランプなどが連動しタッチパネルで動作が確認できます。Dell Latitude 5320 ★i7★16G★SSD512G[286]。自分でプログラムを作れるようになれば,表示ランプ・タッチパネルなどに動作を割り当てれば,自分の作ったプログラム回路での動作確認ができます。Core i7 14型ノートPC 16GB/512GB。シーケンサー,タッチパネルは引上げ中古品ですが,それ以外は新品で 使用機器材料でも¥200,000 以上 します。Windowsノート本体 NEC LAVIE N1585 Ryzen7 EXTREME Edition。通常 設計・製作費を入れると納品時は¥300,000 以上しました。レノボ ThinkBook 14 Gen4 AMD。少し古いですが Win11 pro のOS,シーケンサー (GX Developer) と タッチパネル (Works 3) ソフトのインストール済みの Panasonic のパソコン(CF-SZ5)もお付けいたします。DELL ノートPC シルバー フルHD。年式の割には傷も少なく綺麗な状態で,SSD なのでサクサクと動きます。Lenovo Thinkpad P14s Gen2(Win11 32G 1T)。落札していただければ,微力ながら通信設定・プログラム打込・動作確認などこちらで解る範囲の事は電話対応可能です。【超美品・高性能】 Surface Pro8 16G/256G Office。最初は私も独学で大変苦労しました。高性能N300版! GPD MicroPC 2専用ケースマウス 等おまけ多数。これから勉強したい人,力不足ですが少しでも応援をしたいと思います。Windowsノート本体 ThinkPad P14s Gen 2 i7 RAM:32GB SSD:1TB。レビュー
商品の評価:




4.7点(3330件)
- コプクリン
- Yosemite買いました。ピンクグラデーションが可愛いです! パソコンが明るくなって気分も上がります。
- まゆ3188
- パソコンの代わりになれば・・と期待してiPad Air2を購入。キーボードのものは高額なものを買うより先ずは慣れるため・・と考えて、はずれてもいいと思いながら注文しました!打ちやすいキーボードです。ペアリングもすんなり行えて、試しに打ってみるとそのまま使用できましたよ。迷っている方はこちらにされていいと思います♪白を購入しました。満足です!
- nagoyakita
- 素早い発送、丁寧な梱包、商品も高級感があり、つけたときに外れにくそうでとても気に入りました!
- bagubaguboo
- ラベンダー色が欲しくて探してました。とても可愛いです。最初、手に触れる感じが粉がついている感じがして少し気になりましたが使っているうちその感じがもとれました。満足ですが最初の感触が気になったので☆1つ減らしました。
- マルボウズ9683
- ホコリ除けに購入 キータッチもいい感じです。
- cyana3436
- MacBook Air13を使用しています。パープルを購入したのですが、可愛くていいですね。希望を言えば、フィット感がもう少し欲しいですが、使っていくうちに慣れると思います。
- ともし4133
- 娘のパソコンに… VAIOみたいにキーボードカバーはないと諦めていたのですが、コレを見つけてテンションMAX!! ピッタリだし、安いし、可愛いー♪♪ 買って良かったです…マジで。
- マユイク31
- イエローを購入。 レインボーが欲しく、いろいろ探しましたが、英字配列用のものがなく、単色の中から選びました。英字配列のものを探すのだけでも大変でしたが、ここは比較的品数が揃ってました。しっかりフィットして不便はありません。安くて助かりました。
- ゴンちゃん4209
- 薄くてキーボードバックライトもきちんと見えていいですね。 タイピングは少し癖が出ますが慣れます。 ノートパソコンにはカバーは必須ですね。
- ponta0429
- ケースをたくさん持っていますが、これは使いやすいです。家で置いておくときはひっくり返してマグネットで留めておけばすぐに画面が見られるし、持ち歩く時は液晶保護もできます。買ってよかったです!
すべて見る
お店の情報
7,367
連絡・応対
4.3
配送スピード
4.3
梱包
4.3










